Product Information
Definitely the strongest quick-acting screw clamp available. The patented grooved-bar design works smoothly and positively – just slide the bar forward to contact the workpiece, then turn clockwise to apply force. To unclamp, turn counterclockwise and slide the bar back. As strong as a standard screw clamp, but much faster. Four-prong knob provides a firm grip for applications requiring quick tightening and high torque. Available in 3/8", 1/2", and 5/8" bar sizes, each in a choice of several lengths. Made in USA.

Videos
Bar-Lok Quick-Acting Screw Clamps Bar-Lok Quick-Acting Screw Clamps
Bar-Lok Design
Clockwise Turning the clamping bar clockwise engages internal grooves in the threaded collar. Both components then turn together as a single unit to apply screw force. Counterclockwise Turning the clamping bar counterclockwise loosens the screw clamp and disengages the collar, allowing the bar to slide back and forth.


Clamping Action
1 Slide clamping bar forward to contact the workpiece. 2Turn clockwise to engage the threaded collar and apply clamping force. 3After machining, turn counterclockwise to unclamp and disengage the collar. 4Slide clamping bar back for unloading.




Swivel Foot
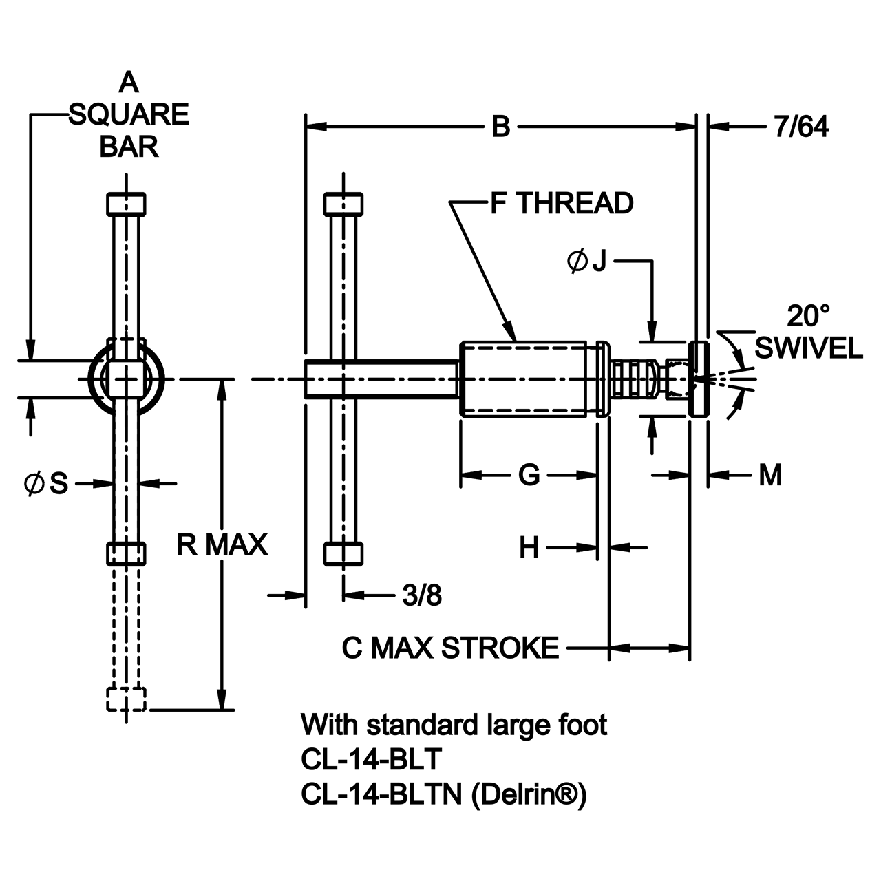
Choice of four foot types. Bar-Lok Quick-Acting Screw Clamps use our patented left-hand-thread swivel-foot system. The ball end of the body screws into the foot for easy installation and removal. Once the ball threads pass beyond the foot threads, the foot can rotate and pivot freely (20 Degree total angle). Foot threads are left-hand to positively prevent accidental backout during use. Delrin feet are optional for types A and B. To order with a Delrin foot, add "N" to the part number, e.g. CL-14-BLTBN. Note: Delrin feet are not threaded – they snap on and off.









Material
| ITEM | MATERIAL | HEAT TREAT | FINISH | DFARS | RoHS |
| Clamping Bar and Collar | 1215 Steel | Carburized-Hardened | Clear Zinc Plated | ✔ | ✔ |
| Sliding Handle | 1215 Steel | - | Clear Zinc Plated | ✔ | ✔ |
| Steel Foot | 1215 Steel | - | Clear Zinc Plated | ✔ | ✔ |
| Delrin foot | White Delrin 500 | - | - | ✔ | ✔ |
Parts Specification
| Part Number | A | B | C | F THREAD | G | H | K DIA | M | R | S DIA |
| CL-16-BLTA-ZC | 3/8 | 5-15/16 | 3-9/16 | 3/4-10 | 1-3/8 | 1/8 | .390 | .187 | 2-15/16 | 1/4 |
Warning:
This product can expose you to materials and/or chemicals including arsenic, lead, and other materials and/or chemicals which are known to the state of California to cause cancer and/or reproductive harm.
For more information, visit www.P65Warnings.ca.gov
714.897.1700
Chat
Email
Quotes
Quick Order