Product Information
Discover enhanced equipment stability with our Stud Levelling Foot, designed for peak performance in industrial environments. Featuring a 300 Series Stainless Steel stud for superior corrosion resistance and robust support, paired with a reinforced Polyamide foot known for its durability and impact resistance, this levelling foot ensures long-lasting reliability. The NBR rubber pad with a 70 Shore hardness provides exceptional grip and shock absorption, effectively minimizing vibrations and stabilizing equipment. Beyond precise levelling, our foot raises equipment above the floor, simplifying cleaning and inspection tasks. Its versatile ball-and-socket design allows swivelling up to 30 Degree, accommodating uneven surfaces and bolstering stability. Designed to dampen vibration and reduce noise from machinery, this levelling foot enhances operational efficiency. Choose our Stud Levelling Foot for its reliability, straightforward installation, and ability to optimize industrial workflows by ensuring equipment stability and reducing operational noise.



Material
| ITEM | MATERIAL | HEAT TREAT | FINISH |
| STUD | 300 Series Stainless | - | - |
| FOOT | Reinforced Polyamide | - | - |
| PAD | NBR rubber 70 shore | - | - |
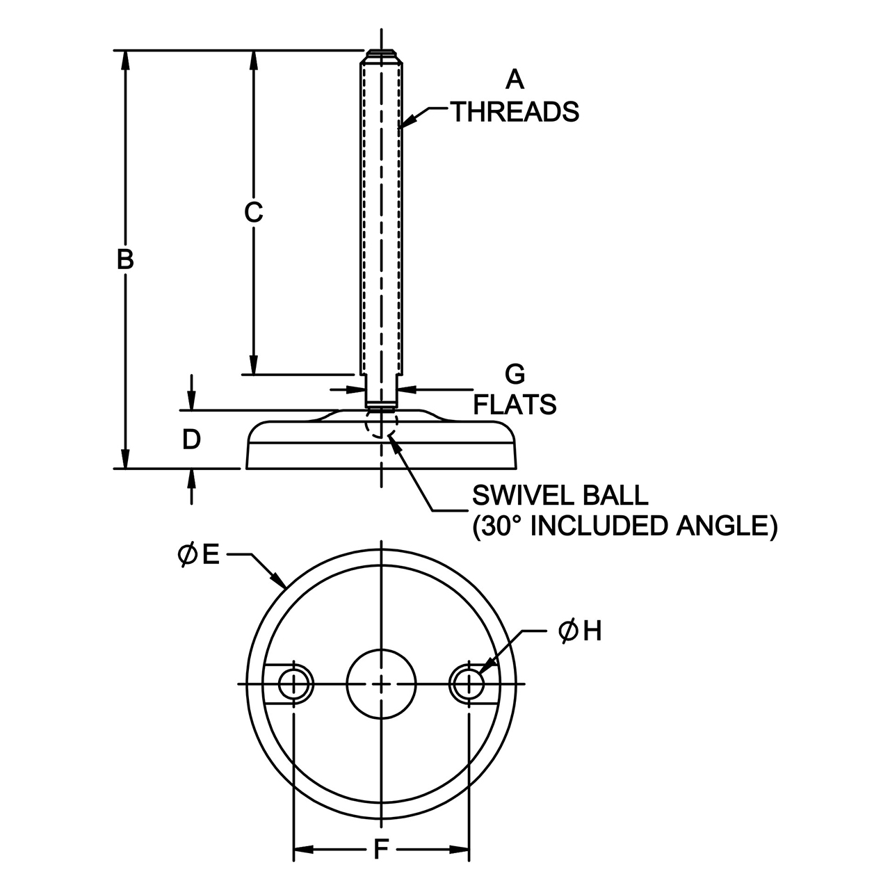
Parts Specification
| Part Number | A THDS | B (mm) | C (mm) | D (mm) | E DIA (mm) | F (mm) | G (mm) | H DIA (mm) | LOAD CAPACITY (N) |
| CLM-12-SLFP-100-RP | M12 x 1.75 | 133 | 100 | 21 | 83 | 54 | 10 | 8.5 | 13000 |
Warning:
This product can expose you to materials and/or chemicals including arsenic, lead, and other materials and/or chemicals which are known to the state of California to cause cancer and/or reproductive harm.
For more information, visit www.P65Warnings.ca.gov
714.897.1700
Chat
Email
Quotes
Quick Order