Product Information
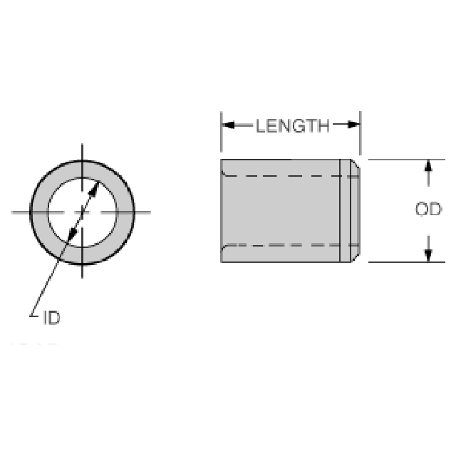
Metric version of our popular P bushing. PM bushings are permanently pressed into the jig plate, usually flush with the top surface. They are generally used for single-operation drilling or reaming, when you do not expect to replace bushings during the tooling's lifetime. PM bushings can be mounted closer together than headed bushings, but offer less resistance to heavy axial loads. Metric Liner Bushings are simply specific large ID sizes of PM Press-Fit Bushings. Complete part numbers for all standard Metric Press-Fit Bushings (all standard ID, OD, and length combinations) are listed in the tables below. The Part Configurator link at the top of this page can be used for any PM bushing, either standard or special.

Application Information
PM bushings are permanently pressed into the jig plate, usually flush with the top surface.

ID Tolerance
Standard ID Tolerance (G6): From .35 to 3mm +.002/+.008mm Over 3 to 6mm +.004/+.012mm Over 6 to 10mm +.005/+.014mm Over 10 to 18mm +.006/+.017mm Over 18 to 30mm +.007/+.020mm Over 30 to 50mm +.009/+.025mm Over 50 to 80mm +.010/+.029mm Over 80 and up +.012/+.034mmReamer ID Tolerance (F6) (Special): From 1 to 3mm +.006/+.012mm Over 3 to 6mm +.010/+.018mm Over 6 to 10mm +.013/+.022mm Over 10 to 18mm +.016/+.027mm Over 18 to 30mm +.020/+.033mmReamer bushings have a different ID-tolerance range than drill bushings. To special-order bushings with the reamer ID tolerance shown here, add "-REAMER" to the part number: PM-8-12-4.50-REAMER (Special)
OD Tolerance
Standard OD Tolerance (s6): 4 to 6mm +.027/+.019 7 to 10mm +.032/+.023 12 to 18mm +.039/+.028 22 to 30mm +.048/+.035 35 to 48mm +.059/+.043 55 to 62mm +.072/+.053 70 to 78mm +.078/+.059 85 to 95mm +.093/+.071 105mm +.101
Counterbore on Small Drill Sizes
Metric bushings with small drill sizes through .80mm are counterbored 1.00mm diameter with 3mm drill-bearing length, according to ANSI standards, to eliminate binding and heat buildup.


Material
| MATERIAL | HEAT TREAT | FINISH | DFARS | RoHS |
| 1144 Stress proof Steel | heat treated to achieve Rc 62-64 ID hardness | - | ✔ | ✔ |
Parts Specification
| Part Number | ID (mm) | OD (mm) | LENGTH (mm) |
| PM-6-16-3.25 | 3.25 | 6 | 16 |
Warning:
This product can expose you to materials and/or chemicals including arsenic, lead, and other materials and/or chemicals which are known to the state of California to cause cancer and/or reproductive harm.
For more information, visit www.P65Warnings.ca.gov
714.897.1700
Chat
Email
Quotes
Quick Order