Product Information
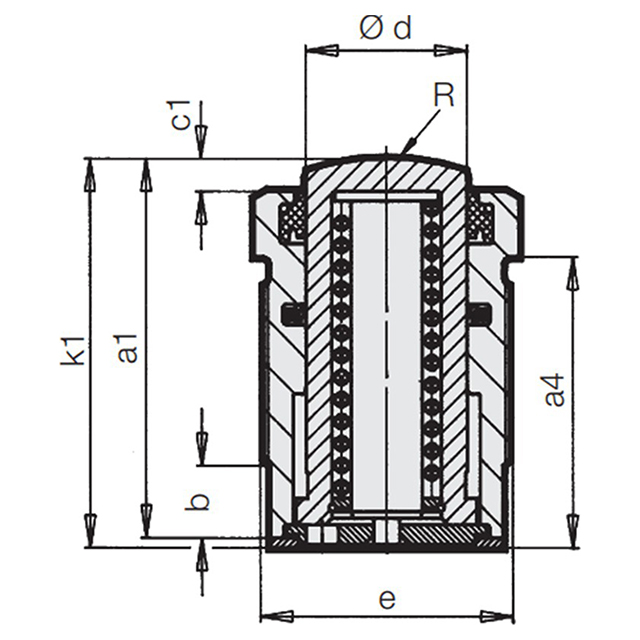
7250 psi max Single Acting Versatile push clamps that provide considerable force in a small size. These small clamps can be placed very close together, especially when manifold mounted. Clamps can be screwed all the way down to their hex flats, or installed at partial depth. Long plunger guide ensures excellent reliability and durability. The dual-wiper version shown here has an additional rod wiper at the top to prevent contamination of the internal spring area by cutting fluids. This version is a direct substitute for the standard version, except that the larger hex head increases minimum clamp spacing. Available in five body diameters, with inch or metric threads, with a choice of radius plunger (shown here), tapped plunger, or swivel plunger. Clamping force at 7250 psi: 1280 lbs 2270 lbs 3530 lbs 5530 lbs 9000 lbs

Clamping Action
Applying fluid pressure advances the plunger. Spring return.
Design Considerations
Threaded-Body Push Clamps have a positive stroke stop in extended position, but not in retracted position. Do not place a load on the plunger while retracted.
Mounting & Fluid Supply
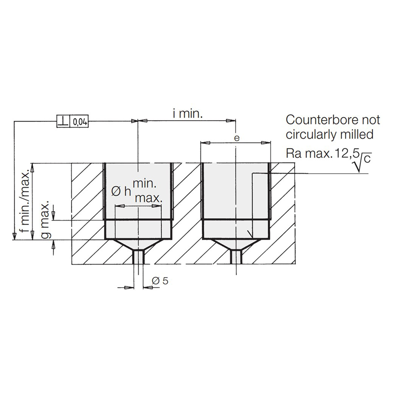
Several possible mounting methods: 1) install clamp directly into a flat-bottom tapped hole in the fixture – see drawings for hole-preparation instructions; 2) install clamp into a Mounting Block; 3) install clamp into a Feeder Cap and mount through a fixture wall (secure with a Jam Nut or Mounting Flange). In all cases, hydraulic sealing is accomplished by a Sealing Washer (furnished) placed directly underneath the clamp. Tighten clamp to recommended seating torque. Fluid passages must be drilled as shown in the drawings. Do not use NPT fittings.




Material
| ITEM | MATERIAL | HEAT TREAT | FINISH |
| Plunger | Steel | - | Case Hardened |
| Body | Steel | - | Black Oxide |
| Sealing Washer | Delrin | - | - |
Parts Specification
| Part Number | MAXIMUM CLAMPING FORCE (lbs) | MAXIMUM CLAMPING FORCE (kN) | E BODY THREAD | D PISTON DIA (mm) | CLAMPING STROKE (mm) | A1 (mm) | A4 (mm) | B (mm) | C1 (mm) | K1 (mm) | R (mm) | SW1 (mm) | SW2 (mm) | SEATING TORQUE (ft-lbs) | WEIGHT (lbs) |
| CLR-1463-100 | 5530 | 24.6 | M38x1.5 | 25 | 16 | 58 | 44.5 | 11 | 5 | 59.5 | 40 | 41 | 19 | 59 | .8 |
Warning:
This product can expose you to materials and/or chemicals including arsenic, lead, and other materials and/or chemicals which are known to the state of California to cause cancer and/or reproductive harm.
For more information, visit www.P65Warnings.ca.gov
714.897.1700
Chat
Email
Quotes
Quick Order