Product Information
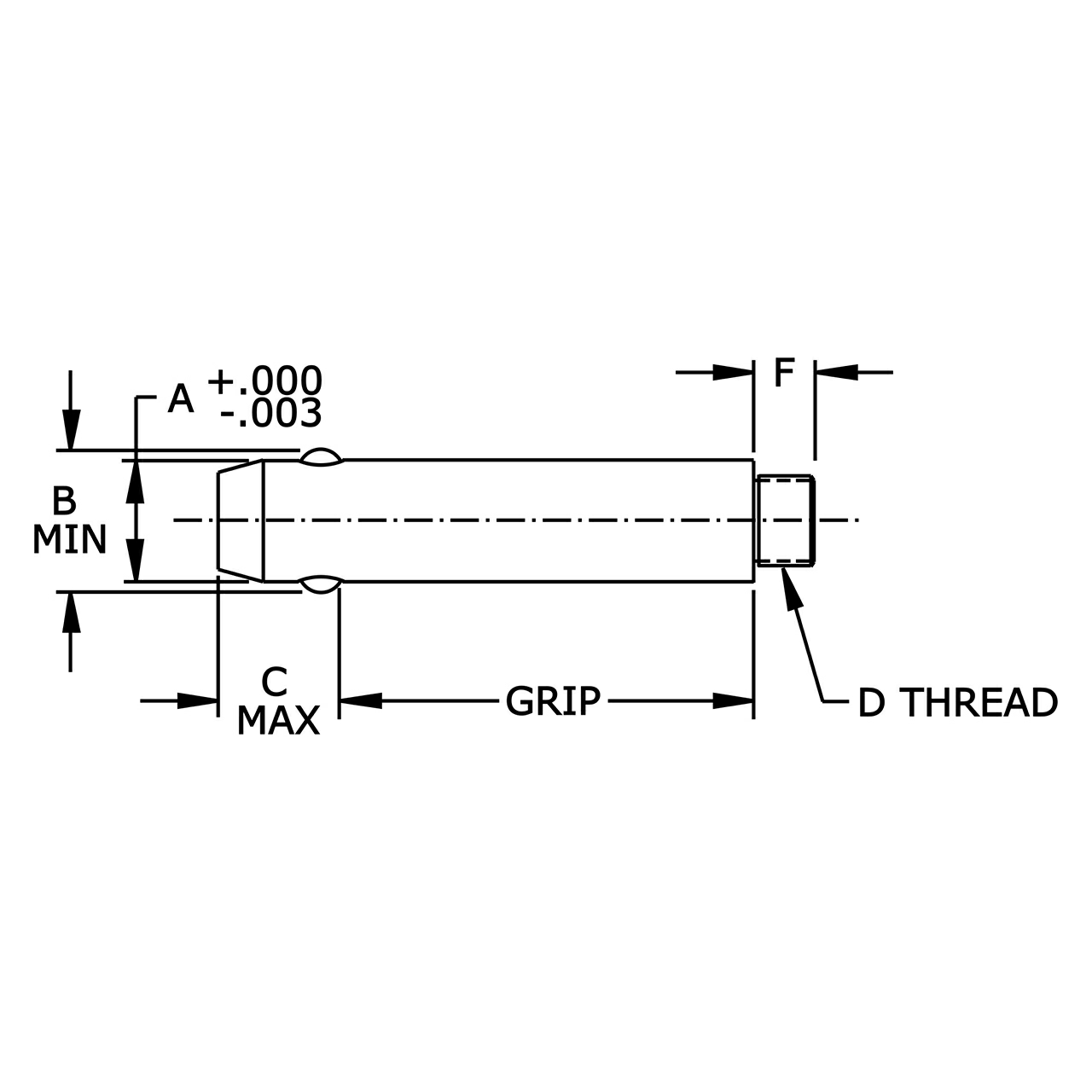
Threaded Detent Pins have one end threaded for a knob handle. These quick-release alignment pins have a solid shank and spring-loaded locking balls. Locking balls hold the pin in place by spring force (not positive locking like a Ball Lock Pin). Simply push the pin to insert, and pull to remove. Available in stainless steel only. Made in USA. The pin's threaded end accepts virtually any type of knob handle, which must be ordered separately. Knobs are available in steel, stainless steel, and several different plastics (see Related Products below). Knobs can be permanently secured with thread-locking adhesive if desired (an adhesive such as Loctite 263 is suitable for most applications).Available in shank diameters from 3/16 to 1/2" (6 to 10mm in metric), in stainless steel only. Each diameter is available from stock in many standard grip lengths. Other grip lengths are available as specials (extra charge and longer delivery time). Note: 3/16" pins have only one locking ball instead of two due to their small size.

Application Information
The pin's threaded end accepts virtually any type of knob handle. Standard knobs are available in steel, stainless steel, and several different plastics (see Related Products below).





Parts Specification
| Part Number | A DIA NOMINAL | A DIA ACTUAL | GRIP LENGTH | B | C | D THREAD | F |
| CL-8-TDP-2.00-S | 1/2 | .4980 | 2.00 | .570 | .516 | 3/8-16 | 1/2 |
Warning:
This product can expose you to materials and/or chemicals including arsenic, lead, and other materials and/or chemicals which are known to the state of California to cause cancer and/or reproductive harm.
For more information, visit www.P65Warnings.ca.gov
714.897.1700
Chat
Email
Quotes
Quick Order