Flange Nuts
Heavy-hex nut with a flanged face. This large bearing surface prevents damage to the part underneath the nut and provides extra strength. Ideal for clamping over a slot. Fully machined from solid barstock for extra strength, unlike inferior substitutes. Made in USA.
Application Information

Material
| Steel | |||||
| Material | Heat Treat | Finish | DFARS | RoHS | |
| 1215 Steel | Carburized-Hardened | Black Oxide | Yes | Yes | |

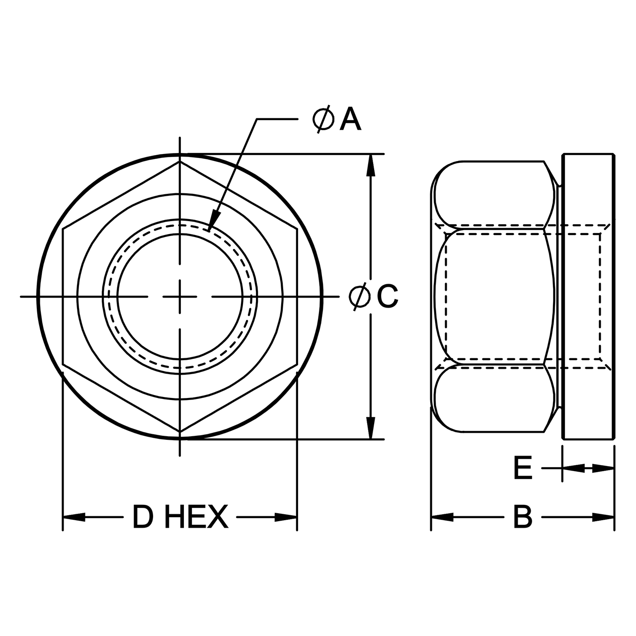
Parts Specification
| A Thread | Thread Pitch (mm) | B (mm) | C Diameter (mm) | D (mm) | E (mm) |
| M10 | 1.5mm | 13mm | 22mm | 17mm | 3mm |
Warning:
This product can expose you to materials and/or chemicals including arsenic, lead, and other materials and/or chemicals which are known to the state of California to cause cancer and/or reproductive harm.
For more information, visit www.P65Warnings.ca.gov
Brand:
Carr Lane
Ships:
From Manufacturer
interval quantity:
1
714.897.1700
Chat
Email
Quotes
Quick Order