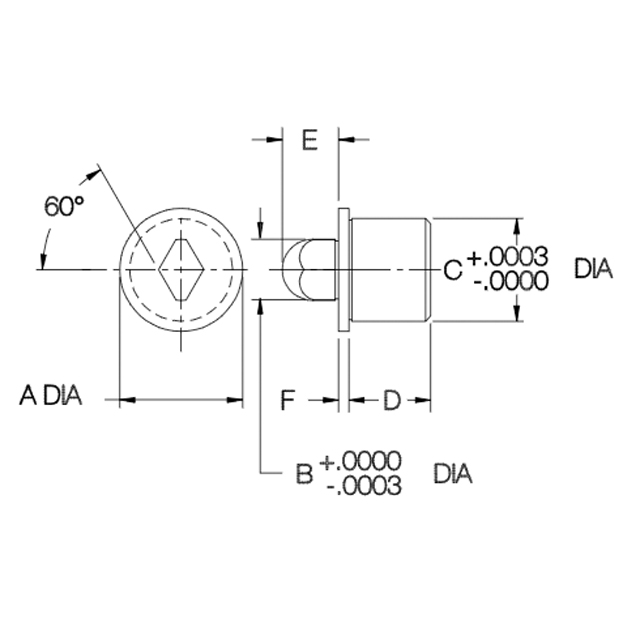
Bullet-Nose Diamond Pins
Precision bullet-nose locating pin often used with a mating bushing to align two pieces of a fixture. One Bullet-Nose Round Pin and one Bullet-Nose Diamond Pin are often used together to locate two holes without binding, because the diamond version is relieved to locate in only 1 axis. The pin's shank diameter and the bushing's OD are exactly the same size, to allow boring the installation hole in both fixture pieces at the same time for greater accuracy.The pin's head and shank diameters are concentric to within 0.0005" TIR. Made in USA.
Application Information

Locating Principles
When a round pin and diamond pin are used together, the round pin is the primary, 2-axis locator, while the diamond pin is the secondary, 1-axis locator. Diamond pins are relieved to locate only radially around the round pin, avoiding redundant location. This prevents binding, yet still maintains high accuracy.

Material
| Material | Heat Treat | Finish | DFARS | RoHS |
| 1144 Steel | Heat Treated Rc 50-55 | Black Oxide | Yes | Yes |

Parts Specification
| A Diameter (mm) | B Head Diameter Nominal (mm) | B Head Diameter Actual (mm) | C Shank Diameter Nominal (mm) | C Shank Diameter Actual (mm) | D (mm) | E (mm) | F (mm) |
| 22mm | 12mm | 11.995mm | 18mm | 18.038mm | 11mm | 10mm | 2mm |
Warning:
This product can expose you to materials and/or chemicals including arsenic, lead, and other materials and/or chemicals which are known to the state of California to cause cancer and/or reproductive harm.
For more information, visit www.P65Warnings.ca.gov
714.897.1700
Chat
Email
Quotes
Quick Order