Product Information
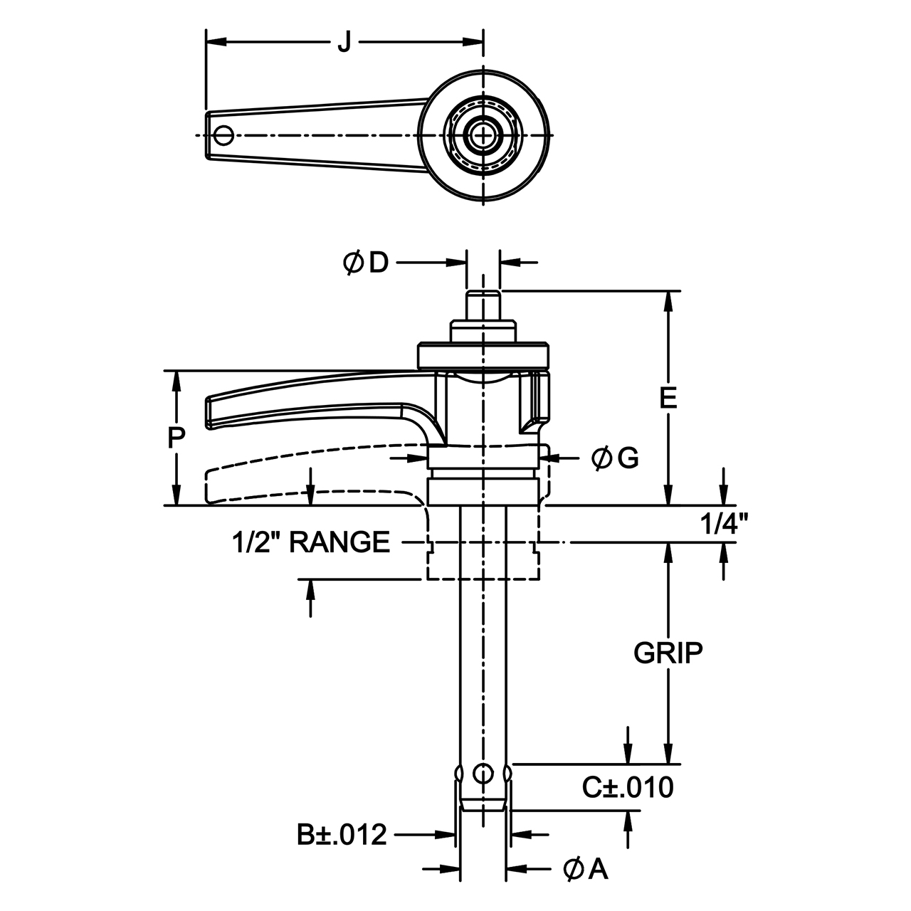
L Handle Adjustable Ball Lock Pins have an adjustable grip length. They can be used for clamping, or simply to provide a variable grip length. The threaded handle turns to provide a +/- 1/4" clamping range or adjustment range. When used just for variable grip length (not for clamping), the handle can be secured with the supplied knurled locknut. Ball Lock Pins are high-strength, quick-release alignment pins with a precision ground shank. They are positive locking until released by pushing the button, which moves the center spindle forward to allow the balls to retract. Adjustable Ball Lock Pins have four balls as standard, instead of two, for more-distributed ball-pullout force in clamping applications. The L-handle version shown here is one of three available handle styles. Patent no. 3,101,641. Made in USA. Available in pin diameters from 1/4 to 1" (6 to 20mm in metric), in stainless steel only. Standard grip lengths for each diameter are listed in the tables below, most in stock for same-day shipment. Pins with special grip lengths up to 12” (300mm) and other special features are available with additional lead time. The Part Configurator link at the top of this page can be used for any Adjustable Ball Lock Pin, either standard or special.

Technical Information
Ball Lock Pins are positive locking until released by pushing the button, which moves the center spindle forward to allow the balls to retract. Adjustable Ball Lock Pins can be used for clamping, or simply to provide a variable grip length. Grip length adjusts +/- 1/4" from nominal Adjustable Ball Lock Pins have four balls as standard, instead of two, for more-distributed ball-pullout force in clamping applications.



Optional Cable
To order pins with a standard cable assembly attached (#2 cable size, 12" long, with a terminal at the free end for a #10 or M5 attachment screw), add "-C" to the part number: CL-4-ABPL-1.50-S-C


Material
| STAINLESS STEEL | |||||
| ITEM | MATERIAL | HEAT TREAT | FINISH | DFARS | RoHS |
| Shank | 17-4PH Stainless Steel | Rc 40 min | Passivated | ✔ | ✔ |
| Spindle | 17-4PH Stainless Steel | - | Passivated | ✔ | ✔ |
| T&L Handle | Aluminium Alloy | - | Black Finish | ✔ | ✔ |
| Knob Handle | 319 Aluminium Alloy | - | - | ✔ | ✔ |
| Head and Locknut | 300-Series Stainless | - | Passivated | ✔ | ✔ |
| Button | Aluminium Alloy | - | Anodized | ✔ | ✔ |
| Spring | 17-4PH/302 Stainless Steel | - | - | ✔ | ✔ |
| Balls | 440C Stainless Steel | - | - | ✔ | ✔ |
Parts Specification
| Part Number | A DIA NOMINAL | A DIA ACTUAL | GRIP LENGTH | B | C | D DIA | E | G DIA | J | P |
| CL-5-ABPL-2.50-S | 5/16 | .3110 / .3095 | 2.50 | .375 | .315 | .22 | 1.45 | .75 | 1.88 | .91 |
Warning:
This product can expose you to materials and/or chemicals including arsenic, lead, and other materials and/or chemicals which are known to the state of California to cause cancer and/or reproductive harm.
For more information, visit www.P65Warnings.ca.gov
714.897.1700
Chat
Email
Quotes
Quick Order