Product Information
5000 psi max Single Acting Swing Clamps utilize a sturdy helical-cam mechanism to swing the clamping arm clear for unrestricted loading. The Compact Swing Clamps shown here are extremely small, economical clamps suitable for many applications. Clamping arm can be mounted to start its 90 Degree swing from any position within 360 Degree. The flange-base version provides many plumbing options, including manifold mounting. Available in one clamp size, single acting (shown here) or double acting (see Related Products below), standard fittings or manifold mounted, with a choice of clockwise, counterclockwise, or zero Degree swing. Available with 45 Degree and 60 Degree swing angles by special order. Clamping force at 5000 psi for single-acting clamps with a standard arm: 450 lbs (1 series)

Clamping Action
Available with clockwise, counterclockwise, or zero Degree swing Swing Clamps are pull-type cylinders where part of the total stroke is used to swing the piston, and the remaining stroke is available as the clamping range. Applying fluid pressure swings arm 90 Degree over workpiece then clamps down. The single-acting version shown here has a fast, totally dependable spring return that lifts the arm, then swings it back 90 Degree for loading/unloading.

Design Considerations
Due to their small size, these Swing Clamps do not have overload protection; therefore the swing motion must not be restricted in any way. Be sure to adjust the contact bolt so that the clamp completes its full swing stroke and starts its clamping stroke before contacting the workpiece. To be safe, use low operating pressure during initial setup. Do not exceed maximum fluid flow rate in table. For extended clamp life a simple flow-control valve may be required if the fixture is powered by a high-flow-rate power source and only contains a few clamps. Clamping time should be at least one second.
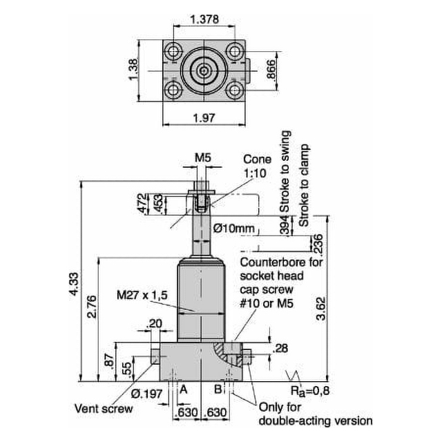
Mounting & Fluid Supply
Version 1Standard Fittings Version 2Manifold Mounting These Swing Clamps are available in two versions, one for use with standard fittings and one for manifold mounting. Version 1, for standard fittings, has a 1/8" BSPP port (two for double-acting clamps). Version 2, for manifold mounting has O-ring ports underneath instead of standard ports. Do not use NPT fittings. For manifold mounting, the mounting surface must be ground flat to ensure proper O-ring sealing. Both clamp versions can be fastened to the top of a fixture plate with four socket-head cap screws inserted through the flanged base from above. Version 2 clamps, with standard fittings, can alternatively be mounted: a) Through a bored hole in the fixture plate, fastening with four socket-head cap screws inserted through the flanged base from below;b) Through a tapped hole in the fixture plate, securing with a lock ring;c) Through a bored hole in the fixture plate, securing with one or two lock rings.


Clamping Arm
Standard Clamping Arm 5000 psi max Order clamping arm, screw, and washer separately. Clamping arm includes a contact bolt.





Material
| ITEM | MATERIAL | HEAT TREAT | FINISH |
| Piston | Alloy steel | - | nitrated for wear and corrosion resistance |
| House | Mild Steel | - | Nitrated for wear and corrosion resistance |
| Piston Rod Wiper | Viton | - | - |
Parts Specification
| Part Number | CLAMP SIZE | SWING DIRECTION | MAXIMUM CLAMPING FORCE (lbs) | MAXIMUM CLAMPING FORCE (kN) | CLAMPING STROKE (mm) | TOTAL STROKE (mm) | BODY THREAD |
| CLR-1849-022 | 1 Series | 90 Degree ccw | 450 | 2.0 | 6 | 16 | M27x1.5 |
Warning:
This product can expose you to materials and/or chemicals including arsenic, lead, and other materials and/or chemicals which are known to the state of California to cause cancer and/or reproductive harm.
For more information, visit www.P65Warnings.ca.gov
714.897.1700
Chat
Email
Quotes
Quick Order