null

Keo 950-001-033 | 6.0000" Diameter x 2.2188" Max Depth of Cut 40 Cutting Edge HSS Slitting Saw

$326.80 $245.10
(You save $81.70)
Brand:
Keo
Blade Diameter (Decimal Inch):
6.0000"
Material:
HSS
Connection Type:
Arbor
Cutting Direction:
Neutral
interval quantity:
1
SKU:
25151014
UPC:
Weight:
1.23 LBS
Minimum Purchase:
1 unit
Shipping:
Calculated at Checkout
 
Product Specifications
# Manufacturer Number950-001-033
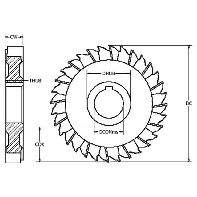
Cutting Diameter (Decimal Inch)6.0000"
Connection Diameter (Decimal Inch)1.0000"
Hub Diameter (Decimal Inch)1.5000"
Maximum Depth of Cut (Decimal Inch)2.2188"
Cutting Width (Decimal Inch)0.1875"
Width of Hub (Decimal Inch)0.1875"
Cutting Edge Count40
Tool MaterialHSS
Connection TypeArbor
Cutting DirectionNeutral
Product TypeSlitting Saw

Warning:

This product can expose you to materials and/or chemicals including arsenic, lead, and other materials and/or chemicals which are known to the state of California to cause cancer and/or reproductive harm.

For more information, visit www.P65Warnings.ca.gov

Brand:
Keo
Blade Diameter (Decimal Inch):
6.0000"
Material:
HSS
Connection Type:
Arbor
Cutting Direction:
Neutral
interval quantity:
1